Home

 
3D Modeling Techniques Defined
IRONCAD vs Fusion 360 Lesson 11
Streamlined Sketching Exposed Two

An Exercise in Sketching Two

I will do this part as I would have done it on the drafting board. Basically offsetting lines. This is the basis for what I have coined "Streamlined Sketching".

I have to admit the Fusion 360 presenter makes this simple sketch incredibly convoluted. Make sure you watch the Video. If you are sketching this way you are wasting an incredible amount of time.

You can see in the above sketch there are no dimensions?
How can this be? Let me show you.



I have done quite a few comparisons with all of the 3D CAD systems and I have found in all the presentations an extremely complex sketching process.

Sketching has always been a secondary process in my design.

With IronCAD most of your design is dragging and dropping what are called IntelliShapes in the scene and pulling and pushing them together into a shape. We have a Extrude Wizard that allows you to project edges for a new feature or part. So my sketching has never utilized constraints, even though they are available.

But with these comparative exercises with all of the 3D CAD systems I have seen that constrained sketching it very time consuming. I now realize that I sketch much differently. I realized I have transferred my descriptive geometry skills from the drafting board (36 years ago) when introduced to Computervision CADDS 4  then CADKEY. I have coined this "Streamlined Sketching".

We basically eliminate the Autocad-ish sketching with any constraints. Point to point drawing is basically an architectural process not an industrial/mechanical process where you would slide triangles, use T-Squares or drafting machines. This is probably where the Pro/e people defined this convoluted sketching process, costing the industry millions of lost man hours.


I have been having a conversation with a Industrial Design professor that seems to be quite 3D CAD literate and he did agree that my sketching technique was much faster but still had a hard time letting go of the constraining function thinking it offered more precision. It is truly too time consuming for any benefits, it there are any, it offers.

So take a look at this exercise and tell me what you think.

If you are interested in this subject, please free to give me a call.

Joe Brouwer
206-842-0360




When I introduce IronCAD's very flexible design paradigm I have a hard time to get the Pro/e clone users, like Solidworks and other programs to understand the drag and drop design paradigm.

Here is the Video of the Fusion 360 presentation. You must watch as this poor fellow struggles with such a simple sketch. If the average Solidworks clone user is wasting this much time, engineering is costing more, adding the PLM, MBE and PMI, that it did with manual drafting. Our engineering is based on our parts and how efficiently we can design. I will tell you, from what I have seen in both Fusion 360 and Solidworks, this waste of time cannot be tolerated in a production engineering department.

IronCAD offers much more intuitive user friendly sketching than Fusion 360. You can Download IronCAD and give it a try.

Fusion 360 Challenge of the Month: June 2016



While creating 3D models from drawing is the very best way to learn 3D CAD and maybe some design techniques is does not expose the designer to the design flexibility necessary in product design. IronCAD is all top down due to the single model environment. Creating mating parts is a cruise. But modeling is just one aspect of a well designed productive 3D CAD system.

Fusion 360 seems to be a functional 3D CAD system. I tried it years ago when they offered it for free. I didn't like the user interface with the history directly on the work space. I much prefer the separate history dialog box on the left that seems to be somewhat of a standard.

The problem with Fusion 360, like all Autodesk products, is that you can only get it by subscription. This is not a viable option to access your CAD system. This makes Autodesk your partner forever, and forever is a long, long time. Let's say you own a company and you have a large amount of engineering information. If you sell your company or a product they have to purchase a subscription. With a perpetual system, you just include the license or they can purchase a seat, they don't have to be married to a system forever, that they may not even use.

You are Not Stuck with Autodesk

I suggest anyone that is using Fusion 360 move to a perpetual system as soon as possible before you have too much engineering information and are vested in the system. We sell and support both IronCAD (The best conceptual design system) and ZW3D (The ultimate CAD/CAM system). ZW3D does offer a very reasonable annual rental program. Both read all native forms of Autodesk formats.

IronCAD Draft (Caxa) is a very compatible Autocad Clone at the reasonable price of $595.00. You can also detail 3D models from other systems. They offer translators for all the popular packages.


IronCAD vs Fusion 360

I would do a video, but I really am not good at it. So I will show you step by step. I will try and get IronCAD support to create one. They are very good.

I always create the part before I watch the Fusion 360 Video, so as to not taint my process. Of course, there are a multitude of ways to create a model. There is no right way, just more productive ways. From what I have seen from these very complicated processes done by the Fusion 360 fellow, it is not just limited by the 3D CAD system.

The modeling technique is hugely responsible for the level of productivity. Those of you that are only trained in the sketch, sketch, constrain, constrain world are truly limited by not using the freedom of feature based design, that is available in even the most Pro/e-ish of CAD systems. If your designers are designing in these very unproductive and time consuming processes it might be time to review your standard design processes. Don't have any do you?


An Exercise in Sketching!

Here is IronCAD. My default is inches, so we set the units to mm. Let's get started.



We insert a sketch with the extrude wizard. We will create a stand alone part.



We select finish and the sketching plane comes in ready to go to work. This is an automatic extrusion and we will set the thickness later



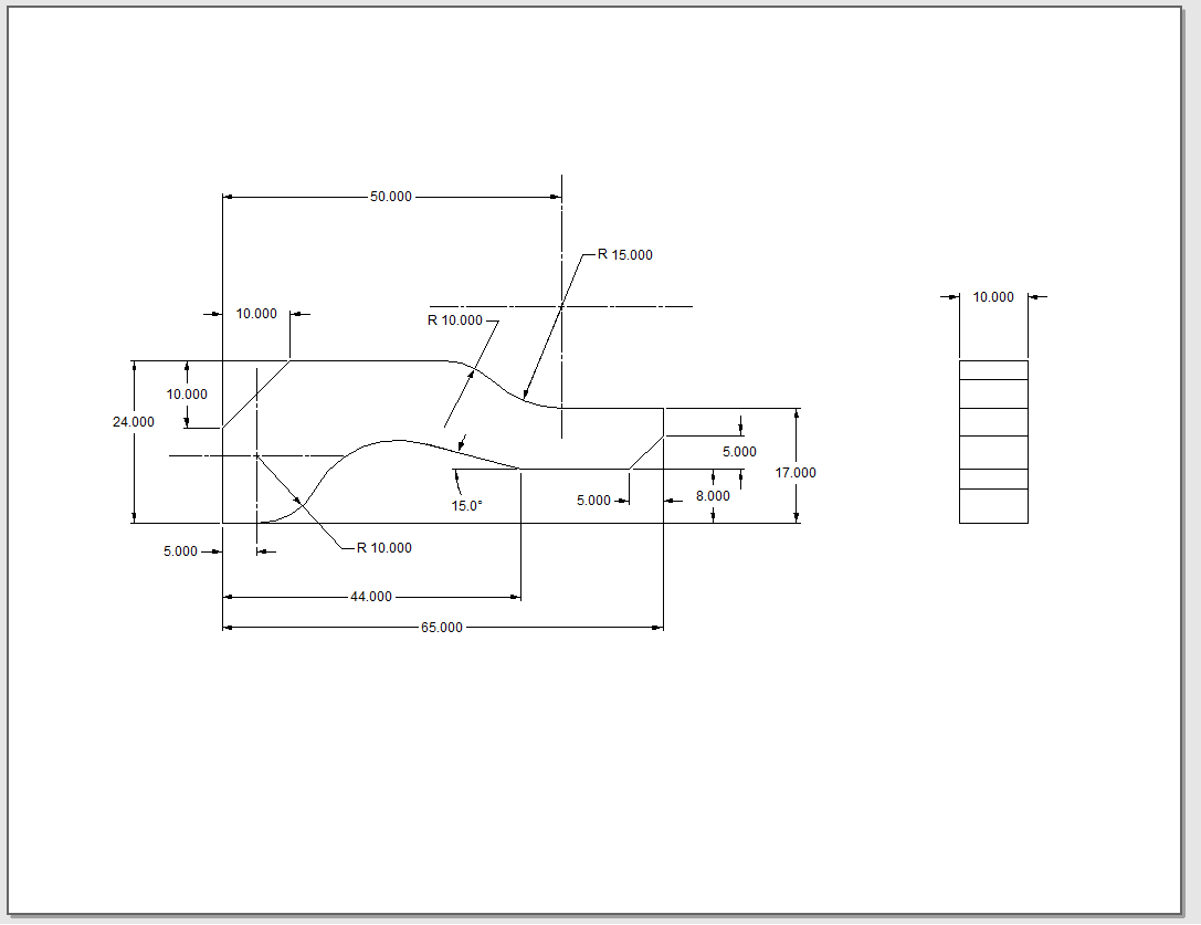
I first create a rectangle with the rectangle with corners command. I use the right mouse button that allows me to input the size of the rectangle 65 x 24.

Note: I have to make a confession. I never knew about the right button edit function until I started doing these exercises. It shows you how little I used the sketching function. I have been using this program for almost 20 years with tens of thousands of design hours.



We will now create the vertical and horizontal offsets that are the basics for our part. We will focus on the bottom profile here.



We will add the 10 mm circle by center and location. No need to input a dimension the graphics drive the dimensions.



We will do some trimming or deleting construction geometry to make it more clear for the creation of the angled line. We create a two point line with the right mouse button and set the angle leaving the length arbitrary.



We clean up a bit more and put in a two tangent and point circle using the right mouse button which brings up a dialog box we enter 14.



We trim the entities and are ready for the top profile.



We have to create another offset line from the affected horizontal line at 15 and extend the applicable line to establish the center point for the Radius. Again we let the graphics drive the dimension. I will not concern myself with the R 10 since it is basically double dimensioning. 



We just trim the entities and we are done with our sketch.

What are you talking about, Joe, there are blends and chamfers??

Why waste your time sketching when putting in a blend or chamfer is much easier. This is what I have called "Feature Based Modeling" as compared to "Sketch Based Modeling" (if you can even consider sketching, modeling).



We select finish and the sketching of our part is done. We set the thickness to 10mm 



We just add the blend and two chamfers.



We are done with our part.



Here is the drawing. When you convert drawings to 3D you should also create a fully detailed AID (drawing). To assure you have duplicated the part.



It is very important that you look into how you or your engineers are creating the parts. Streamline Sketching and Feature Based Modeling is easy to learn and implement. It, alone, will increase productivity 10X. Now, IronCAD with its unique integrated history/direct edit functionality can increase your productivity another 5X or more with changes! Again, time is money in engineering.

More on Streamlined Sketching and Feature Based Modeling.


3D CAD Modeling Techniques




To experience this increased level of productivity, please download IronCAD for a 30 day evaluation. Legacy data is no problem, IronCAD can read the native files of all of the popular programs. IronCAD is a great replacement for the subscription only Autodesk and PTC products.



Give me a call if you have any questions. I can set up a skype or gotomeeting to show this part or answer any of your questions on the operation of IronCAD. It truly is the very best conceptual 3D CAD system.


TECH-NET Engineering Services!

We sell and support IronCAD and ZW3D Products and
provide engineering services throughout the USA and Canada!

 Why TECH-NET Sells IronCAD and ZW3D


If you are interested in adding professional hybrid modeling capabilities or looking for a new solution to increase your productivity, take some time to download a fully functional 30 day evaluation and play with these packages. Feel free to give me a call if you have any questions or would like an on-line presentation.

HOME | ABOUT | PRODUCTS | SEMINARS | TRAINING | TECH-NET NEWS
TECH-NET ASSOCIATES | RENDERING OF THE MONTH | CAD•CAM SERVICES
HARDWARE | TECH TIPS | EMPLOYMENT | CONTACT