Home

 
ZW3D Lesson 1
3D Modeling Techniques Defined
Primitive Shape/Feature Based Modeling
No Sketching, Please!

I saw this presentation of a fellow creating this part in ZW3D. While I found it interesting and learned a bit. It still depended on too much sketching and constraining.

These lessons are basically on modeling techniques using Streamline Sketching (No sketching in this lesson at all) and Feature Based Modeling. This lesson was completely done with primitive shapes. Fast and Easy!

Basic 1 How to create Clamp MS in ZW3D




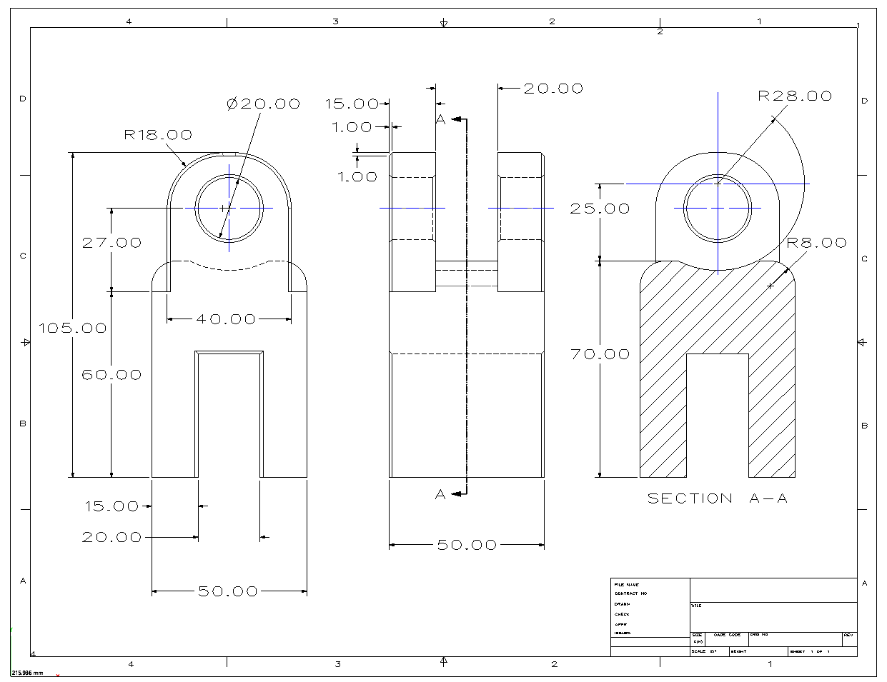
Here is the drawing if you would like to give it a try.



ZW3D Primitive Shape Design


I would do a video, but I really am not good at it. So I will show you step by step.

The modeling technique is hugely responsible for the level of productivity. Those of you that are only trained in the sketch, sketch, constrain, constrain world are truly limited by not using the freedom of feature based design, that is available in even the most Pro/e-ish of CAD systems. If your designers are designing in these very unproductive and time consuming processes it might be time to review your standard design procedures. Don't have any do you?

Again, I say there are many different ways to model a part. I can now see, with my exposure to direct edit modelers like CADKEY, I rarely sketch like you see the ZW3D presenter doing. I have always created my basic sketches by mostly creating offsets and extending and trimming or. It seems to be much easier. I never put in a fillet that can be created later. What do you think? Of course, this take a good understanding of descriptive geometry.

I will now introduce you to primitive shape design.

No sketching was done in this Lesson.




We are already in millimeter so let's get started.

We will insert a primitive block at X0Y0Z0. I have found designing your part around this point quite advantageous. My other programs do not have this feature. You can see I start from a different direction than the ZW3D presenter.




I now insert another primitive block and set to subtract and size it.



We insert another primitive block and size it. We have many option for locating the block in this case I used an offset of 15mm from the front edge.



Even thought the ZW3D presenter uses some clever tricks I feel that working with primitive shapes when you can is much more productive. I insert a primitive cylinder set it to subtract size and locate it.



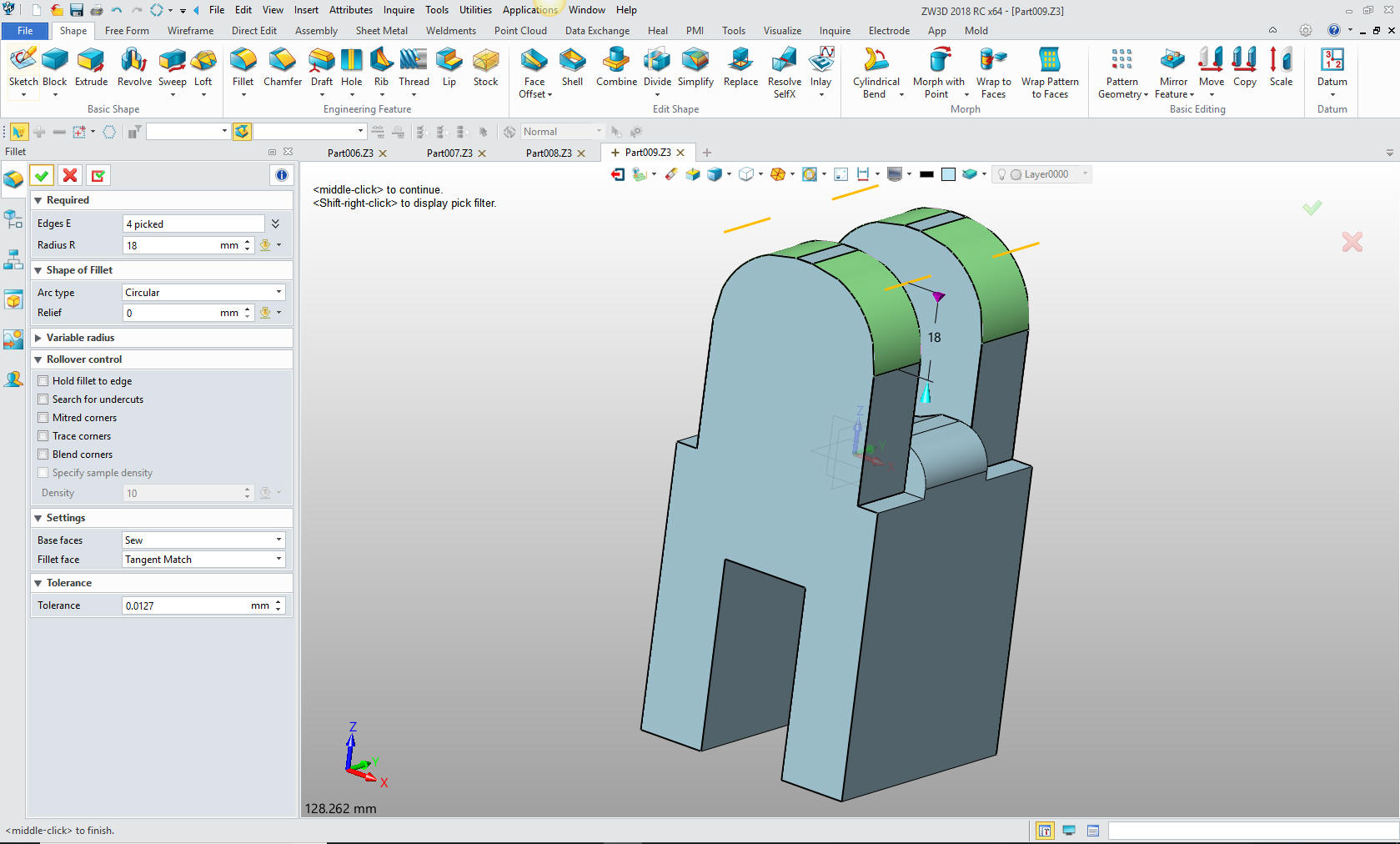
I have never been one to sketch fillets. So we put them in here.                         




Again we insert another primitive block offset it 5 mm from the left edge and size it. This is so simple even a Solidworks user could do it.



We now just mirror the last feature. With mirror feature we select the feature and pick the XZ plane.



We now add the fillets.




We insert a 20mm dia cylinder, set it to subtract and offset it 20mm from the tangent point of the fillet.



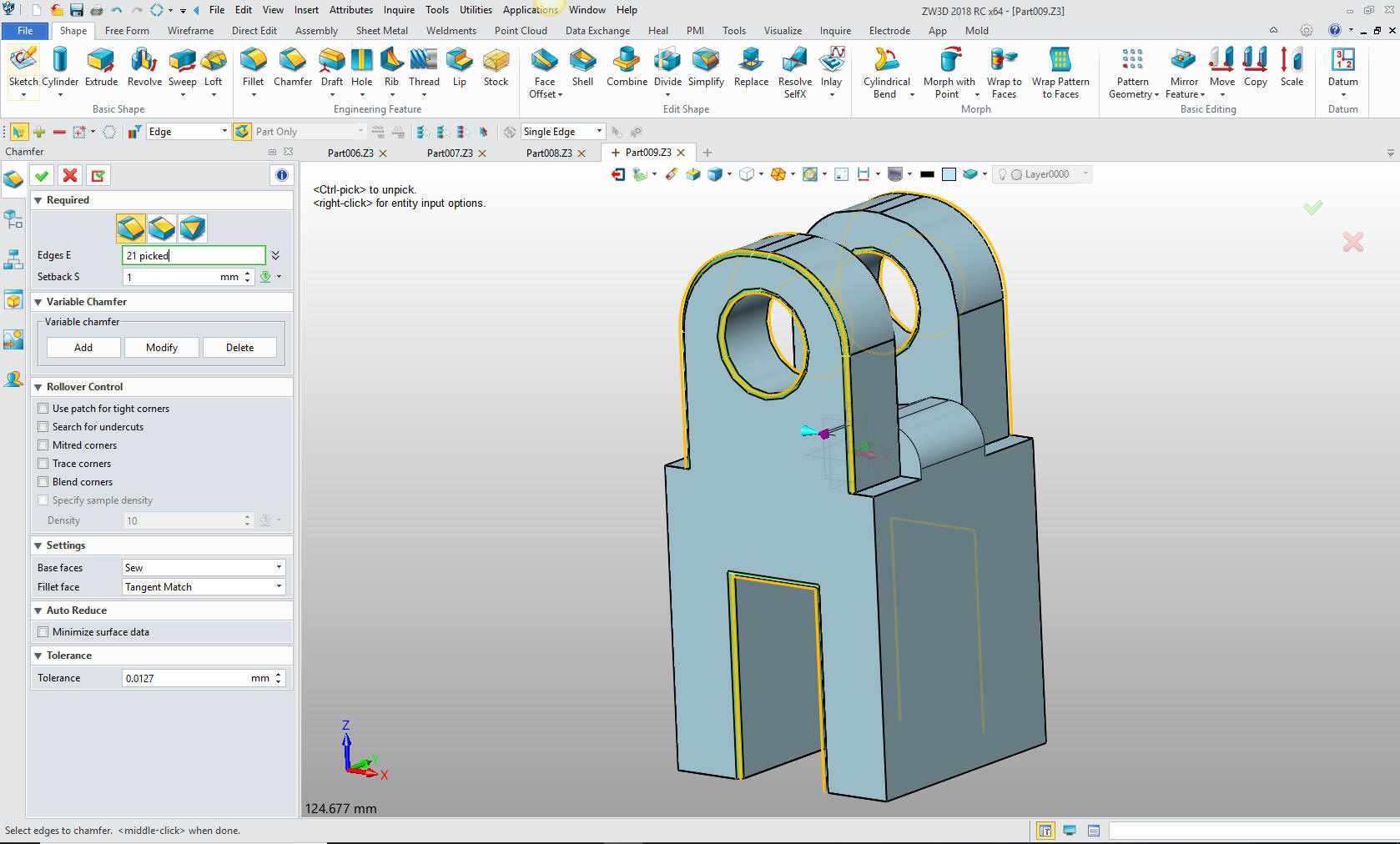
Now to add the chamfers!



And we are done!! No Sketching or Constraining. We used only primitive shapes.
More productive? Of course.




We will now detail it for your reference in the integrated AID (Associated Information Document (drawing)) by selecting the 2D sheet. Yes, all documentation is included in the part or assembly file. Imagine how simple that would make PDM.


It is very important that you look into how you or your engineers are creating the parts. Streamline Sketching and Feature Based Modeling is easy to learn and implement. It, alone, will increase productivity 10X. Now, ZW3D with its unique history and robust direct edit functionality can increase your productivity another 5X or more with changes! Again, time is money in engineering.

More on Streamline Sketching and Feature Based Modeling.


3D Modeling Techniques Defined



To experience this increased level of productivity, please download ZW3D for a 30 day evaluation. Legacy data is no problem, ZW3D can read the native files of all of the popular programs including the PMI data of NX, Solidworks, Catia and Creo. ZW3D is a great replacement for the subscription only Autodesk and PTC products.

For more information or to download ZW3D

Give me a call if you have any questions. I can set up a skype or go to meeting to show this part or answer any of your questions on the operation of ZW3D. It truly is the Ultimate CAD/CAM System.


TECH-NET Engineering Services!

We sell and support IronCAD and ZW3D Products and
provide engineering services throughout the USA and Canada!

 Why TECH-NET Sells IronCAD and ZW3D


If you are interested in adding professional hybrid modeling capabilities or looking for a new solution to increase your productivity, take some time to download a fully functional 30 day evaluation and play with these packages. Feel free to give me a call if you have any questions or would like an on-line presentation.

HOME | ABOUT | PRODUCTS | SEMINARS | TRAINING | TECH-NET NEWS
TECH-NET ASSOCIATES | RENDERING OF THE MONTH | CAD•CAM SERVICES
HARDWARE | TECH TIPS | EMPLOYMENT | CONTACT