Home

 
3D Modeling Techniques 
IRONCAD vs Solidworks Lesson Eight
Streamlined Sketching/Feature Based Modeling

When I introduce IronCAD's very flexible design paradigm I have a hard time to get the Pro/e clone users, like Solidworks and other programs, to understand the drag and drop design paradigm.

Download IronCAD/Inovate and take the one day and 17 lesson course. I get rave reviews from my new customers. Give it a try, this is a fully functional 30 day evaluation with all of the native translators so you have access to your legacy engineering information.

IronCAD Self-Pace Training Course

TECH-NET IronCAD Training

IronCAD Video Basics!



I saw some Fusion 360 exercises online and I decided to compare IronCAD. It quickly turned into a study in modeling techniques. I have created many comparisons to Fusion 360, Onshape, Solid Edge, NX, Creo, Catia and Inventor lessons to show the difference between IronCAD and my modeling techniques. I found the presenters working identically wasting massive amounts of time with overly complex constrained sketching procedures. I was so unimpressed that I decided to model the parts or assemblies showing my modeling techniques plus IronCAD's superb design system.

3D Modeling Techniques Defined


Many of these modeling techniques can easily be implemented even within their existing system. I call it Streamlined Sketching and Feature Based Modeling. Please review a few of the above IronCAD comparison lessons, there are some very stark differences.



This is my second lesson that is based on a comparison between KeyCreator (CADKEY) and Solidworks.

KeyCreator is a direct edit only CAD system. I sold CADKEY and KeyCreator for over 31 years in 1987 and lost the product in 2009 when they went to direct sales. I would be selling it today. It is a very flexible direct edit system but a bit clunky for design. You need both history and direct edit for highly productive modeling. I quickly moved to IronCAD, that offers both, in 1998 for all my solid modeling only using KeyCreator for some hybrid modeling. But our other product, ZW3D, offers much more powerful hybrid modeling functionality.

The 1980's - 3D CAD - The Beginning

The 1990's - 3D CAD/CAM Moves to the PC!!

KeyCreator is level based and the level management becomes quite a chore. Even though both IronCAD and KeyCreator are single model environment IronCAD has much better way of displaying and manipulating the parts, by hiding, showing and suppressing. ZW3D has just too many advantages over KeyCreator to even get into it.

But KeyCreator offers 2X productivity over Solidworks not only in ease of modeling but the single model environment, even with the levels is miles above the separate part and assembly environment of Solidworks.

Please watch both presentation separately. I have tens of thousand of hours on KeyCreator, being introduced to CADKEY in 1986. The presenter claims at the beginning to 100% 3D, yet starts with a sketch. Go figure.

If you watch close you will see that there will be a Boolean join or subtract with each feature. KeyCreator is a bit of a primitive Boolean system. Not that that is bad, like I have said KeyCreator can easily outperform Solidworks and the clones.

Direct edit is very fast modeling system with 2D to 3D conversions but suffers hugely as a design product without the flexibility of history design. You really need both to productive 3D CAD modeling.

The Solidworks presenter seems to really struggle with this simple part!


TUTORIAL 35: Solidwork / KeyCreator (Tool Engaged)



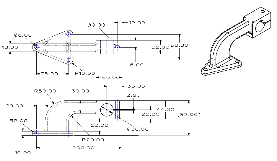
Here is the drawing if you would like to give it a try.



While creating 3D models from drawing is the very best way to learn 3D CAD and maybe some design techniques it does not expose the designer to the design flexibility necessary in design. IronCAD is all top down due to the single model environment. Creating mating parts is a cruise. But modeling is just one aspect of a well designed productive 3D CAD system.


Solidworks is a marginal 3D CAD system based on the dated Pro/e (Creo) history based modeling system. I have sold this product years ago and found it, like all of the other Solidworks clones, not productive enough for our engineering department. We use what we sell. That gives us the experience to effectively support our user base.

Is 3D CAD Productivity an Oxymoron?

IronCAD vs Solidworks and the Pro/e Paradigm


29 Years of 3D CAD Incompatibility - The New Generation of 3D CAD!!



 IronCAD vs Solidworks vs KeyCreator

I would do a video, but I really am not good at it. So I will show you step by step. I will try and get IronCAD support to create one. They are very good.

As with my Ironcad vs Fusion 360/Creo exercises I have found the same problems with Solidworks. The modeling technique is hugely responsible for the level of productivity. Those of you that are only trained in the complex and time consuming constrained sketching world are truly limited by not using the freedom of Streamlined Sketching and Feature Based Modeling, that is available in even the most Solidworks-ish of CAD systems. If your designers are designing in these very unproductive and time consuming processes it might be time to review your standard design processes. Don't have any do you?

KeyCreator offers a much different design experience. Designing with no history is relatively easy. Much simpler than the constrained sketched history based systems such as Solidworks. But direct edit only does not offer the flexibility of history based modeling. IronCAD with both history and direct editing integrated and available in the design process, then add the new dimension of drag and drop design it easily outperforms both.




Let's get started!

We are using the newly released IronCAD 2019!

We are set the units to millimeters.




I first start inserting a extrude wizard sketch and set the 10mm thickness of the triangular base.



We first draw a 75mm line, then the 30mm line. If you hold the right mouse button when putting in the line it will ask you for the length. I create the two 10mm R circles then mirror the right circle. Then connect the circles with tangent lines.



Trim the lines and we have our sketch ready to extrude. Notice none of these entities are constrained.



We select okay and we are done with the base.



We will now drag and drop a block onto the top face using the center of the front arc to locate and size it.



We drag and drop another block on the top of the existing block, locate and size it.



We drag and drop the last block on to the end and size it. As you can see that it automatically becomes a feature of the part. There is no need to Boolean join as required in KeyCreator. It is a bit surprising KeyCreator still is totally based on Boolean design. IronCAD has robust Boolean operations when needed.

You can drag and drop shapes with the right mouse button an get the option to make it a standalone shape. Designing in shapes is closer to how the real world works.



We drag and drop the first hole cylinder from the catalog size and locate it at the center of the arcs, using the Triball we locate and link the other holes. Linking them allows then to all reflect any changes to one.



We now drag and drop the large and small hole cylinders on the relevant faces, locate with the Triball and size them. Drag and drop a hole block of the front face locate and size.

The Triball is incredibly powerful, it can locate any feature, part or sub-assembly with many locations, the command used was the "From point or circle" here.



We are done with the catalog, so I will close it. I usually have it automatically hidden to have more of the scene available.

We will just put in the two larger fillets.



Now for the most time consuming, the fillets



There you go. So much simpler, faster and fun than either the Solidworks or KeyCreator exercises.



This is another stark examples of how Streamlined Sketching and Feature Based Modeling utilizing IronCAD's drag and drop of smart editable Intellishapes from a catalog and the use of the Triball can increase productivity easily 5X. I usually estimate 5X increased productivity in conceptual design and 10X in changes, and I believe I am being conservative. IronCAD can edit most of the Solidworks clone parts and assemblies faster than it can be done in the native CAD system.

Is 3D CAD Productivity an Oxymoron?

Five Functions that Increase 3D CAD Productivity!!

Please review the earlier exercises.

IronCAD vs Solidworks


You can see more on modeling techniques here.

3D Modeling Techniques Defined




If you would like to try IronCAD, please download for a 30 day evaluation.

If you would like more information or download IronCAD

Give me a call if you have any questions. I can set up a skype or go to meeting to show this part or answer any of your questions on the operation of IronCAD. It truly is the very best conceptual 3D CAD system.


TECH-NET Engineering Services!

We sell and support IronCAD and ZW3D Products and
provide engineering services throughout the USA and Canada!

 Why TECH-NET Sells IronCAD and ZW3D


If you are interested in adding professional hybrid modeling capabilities or looking for a new solution to increase your productivity, take some time to download a fully functional 30 day evaluation and play with these packages. Feel free to give me a call if you have any questions or would like an on-line presentation.

 
HOME | ABOUT | PRODUCTS | SEMINARS | TRAINING | TECH-NET NEWS
TECH-NET ASSOCIATES | RENDERING OF THE MONTH | CAD•CAM SERVICES
HARDWARE | TECH TIPS | EMPLOYMENT | CONTACT