Home

 
IRONCAD vs Solidworks
When I introduce IronCAD's very flexible design paradigm I have a hard time to get the Pro/e clone users, like Solidworks and other programs to understand the drag and drop design paradigm.

I saw the following video challenges on linkedin and thought I would give it a try on IronCAD. I actually did it before I watched the video, so I did it a bit differently. This will give you an idea how different and flexible IronCAD is compared to the conventional Pro/e clone and to the not so conventional Fusion 360.

To see these same lessons in ZW3D:

ZW3D vs Solidworks

These following exercises started out to show the benefits of IronCAD over Solidworks, but quickly turned into a study of modeling techniques. Take a look at all of them they will open your eyes to a much different and more productive way of modeling. It really has more to do with modeling technique than it has to do with the 3D CAD systems. I have found that I do 3D modeling as compared to the conventional 2D sketching.

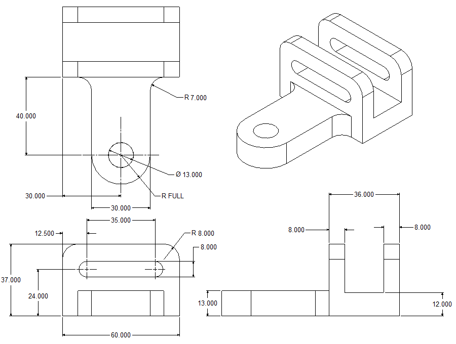
IRONCAD vs Solidworks Lesson One



IRONCAD vs Solidworks Lesson Two



IRONCAD vs Solidworks Lesson Three



IRONCAD vs Solidworks Lesson Four



IRONCAD vs Solidworks Lesson Five



IRONCAD vs Solidworks Lesson Six



IRONCAD vs Solidworks Lesson Seven



IRONCAD vs Solidworks Lesson Eight



IronCAD vs Solidworks Lesson Nine



IronCAD vs Solidworks Lesson Ten



IRONCAD vs Solidworks Lesson Eleven



IronCAD vs Solidworks Lesson Twelve



IronCAD vs Solidworks Thirteen



IronCAD vs Solidworks Lesson Fourteen



IronCAD vs Solidworks Lesson Fifteen



IronCAD vs Solidworks Lesson Sixteen



IronCAD vs Solidworks Lesson Seventeen



IronCAD vs Solidworks Lesson Eighteen

I

IronCAD vs Solidworks Lesson Nineteen

I


If you would like to try IronCAD, please download for a 30 day evaluation.




Give me a call if you have any questions. I can set up a skype or go to meeting to show this part or answer any of your questions on the operation of IronCAD. It truly is the very best conceptual 3D CAD system.


TECH-NET Engineering Services!

We sell and support IronCAD and ZW3D Products and
provide engineering services throughout the USA and Canada!

 Why TECH-NET Sells IronCAD and ZW3D


If you are interested in adding professional hybrid modeling capabilities or looking for a new solution to increase your productivity, take some time to download a fully functional 30 day evaluation and play with these packages. Feel free to give me a call if you have any questions or would like an on-line presentation.

HOME | ABOUT | PRODUCTS | SEMINARS | TRAINING | TECH-NET NEWS
TECH-NET ASSOCIATES | RENDERING OF THE MONTH | CAD•CAM SERVICES
HARDWARE | TECH TIPS | EMPLOYMENT | CONTACT